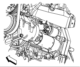
2004 Mazda 6 Starter Removal

2004 3 0 V6 Mazda 6 Starter Replacement Youtube

How To Remove And Replace A Starter On A 2004 Mazda B2300 Youtube

Mazda 6 2 3l Starter Removal Youtube

How To Remove Replace 2004 2009 Mazda 3 2 3l Starter Youtube

Need Help On Removing The Starter On 2004 Mpv Mazda Forum Mazda
![]()
Step By Step Instructions On How To Remove A Starter On A 1996 Mazda

Mazda 6 2 3l Starter Removal Youtube

How To Remove And Replace Starter On Mazda Cx 7 Mazdaspeed 3 6 Youtube

Mazda 3 04 To 09 Starter Removal Replacement Youtube

Starter Motor Starting System How It Works Problems Testing
Starter Replacement Electrical Problem 6 Cyl Two Wheel Drive
Starter Replacement Electrical Problem 6 Cyl Two Wheel Drive

Mazda Timing Chain Jumped Probably Bent A Piston Is My Engine
Repair Guides Thermostat Removal Installation Autozone Com

Starter Motor Starting System How It Works Problems Testing
Where Is The Ect Sensor Located On A Mazda Mpv 2005 Fixya

Blown Fuse Check 2003 2008 Mazda 6 2006 Mazda 6 I 2 3l 4 Cyl

How To Test And Troubleshoot A Starter Problem Youtube

Starter Motor Starting System How It Works Problems Testing

How To Start A Car With A Bad Starter Apply These 4 Tricks
![]()
How To Install A Car Starter 14 Steps With Pictures Wikihow
/Fuse%20Interior%20-%20Part%201.png)
Interior Fuse Box Location 2003 2008 Mazda 6 2006 Mazda 6 I 2 3l

Starter Motor Starting System How It Works Problems Testing
Solved 1998 Mazda Protege Starter 1998 2003 Mazda Protege Ifixit
Solved 1998 Mazda Protege Starter 1998 2003 Mazda Protege Ifixit

Blown Fuse Check 2003 2008 Mazda 6 2006 Mazda 6 I 2 3l 4 Cyl
Repair Guides Engine Mechanical Components Timing Chain

Interior Fuse Box Location 2003 2008 Mazda 6 2006 Mazda 6 I 2 3l

Starter Removal Install Acura Tsx Tl Video Dailymotion

How To Remove Alternator On A Mazda 6 V6 3 0 Liter Engine

How To Replace A Fuel Pump Relay Yourmechanic Advice

2004 2008 Mazda 3 Fuse List Location
Where Is The Fuel Pump Relay On 2004 Mazda 6 Fixya

Automatic Transmission Removal Step By Step Guide

How To Start A Car With A Bad Starter Apply These 4 Tricks

Ignition Coil Problems When To Replace Repair Costs
Mazda 6 Wiring Diagram Wiring Diagram Database
![]()
How To Install A Car Starter 14 Steps With Pictures Wikihow
Repair Guides Thermostat Removal Installation Autozone Com

When How To Change Spark Plugs The Family Handyman
Where Is The Fuel Pump Relay On 2004 Mazda 6 Fixya

Automatic Transmission Removal Step By Step Guide
Repair Guides Thermostat Removal Installation Autozone Com

How To Replace A Starter Relay Yourmechanic Advice

When How To Change Spark Plugs The Family Handyman

Ignition Coil Problems When To Replace Repair Costs

Kia Sportage Starter Replacement Youtube

Neutral Safety Switch Simple Replacement Procedures

How To Replace An Ignition Lock Cylinder Yourmechanic Advice

Mazda Where Are My Power Window Relays Motor Vehicle

Interior Fuse Box Location 2014 2017 Mazda 6 2015 Mazda 6 Sport

Starter 2004 2009 Mazda 3 2 3l 2006 2010 Mazda 5 2 3l 2007
![]()
How To Replace An Ignition Switch 15 Steps With Pictures
Repair Guides Engine Mechanical Components Intake Manifold

Diy 2004 2012 2005 Mitsubishi Galant 2 4l How To Replace

Amazon Com Starter 2004 2009 Mazda 3 2006 2010 Mazda 5 2006 2007

Mazda 6 2009 2013 Engines Fuel Economy Problems Specs Interior
Starter Replacement Electrical Problem 6 Cyl Two Wheel Drive

How To Replace A Starter Relay Yourmechanic Advice

Test Alternators Before You Replace Them Knowyourparts
/Fuse%20Interior%20-%20Part%201.png)
Interior Fuse Box Location 2014 2017 Mazda 6 2015 Mazda 6 Sport

Mazda Timing Chain Jumped Probably Bent A Piston Is My Engine

How Often Should I Replace My Accessory Drive Belt News Cars Com

How To Replace Mazda Key Fob Battery
Do You Have To Replace The Fuel Pump To Replace Fuel Filter On A

Checking And Replacing Starter Motor Brushes How A Car Works
![]()
How To Install A Car Starter 14 Steps With Pictures Wikihow

How To Shim Your Car Starter Like A Pro
How To Removing Auto Climate Control Mazda3 Forums The 1

Ignition Coil Problems When To Replace Repair Costs

Automatic Transmission Removal Step By Step Guide

Ford Mazda 3 0l V6 Timing Chain Replacement
![]()
How To Install A Car Starter 14 Steps With Pictures Wikihow
Repair Guides Engine Mechanical Components Intake Manifold

How To Fix Stalling And Other Issues After Replacing The Battery

How To Replace A Fuel Pump Relay Yourmechanic Advice

Engine Mount How It Works Symptoms Problems Replacement

Water Pump Pulley Wobbling Belt About To Jump Out
![]()
How To Install A Car Starter 14 Steps With Pictures Wikihow
97 Mazda 626 Engine Diagram Wiring Diagrams Cks

Amazon Com Wisamic Power Window Lift Motor Replace 742 801
Repair Guides Compressor Removal Installation Autozone Com

How To Shim Your Car Starter Like A Pro
/Lights%20DRL%20-%20Part%201.png)
Interior Fuse Box Location 2003 2008 Mazda 6 2006 Mazda 6 I 2 3l

When How To Change Spark Plugs The Family Handyman

How To Change A Serpentine Belt Replacing Serpentine Belt
How To Ac Pro Product Instructions In English Php Bloginfo Name

How To Replace A Neutral Safety Switch Yourmechanic Advice
Repair Guides Engine Mechanical Components Intake Manifold

2007 Mazda 3 Locate Fuse Box Check Fuse Youtube
![]()
How To Install A Car Starter 14 Steps With Pictures Wikihow







0 Response to "2004 Mazda 6 Starter Removal"
Post a Comment